在线咨询
产品中心
BZ-10C 价格:

在线咨询
详情 PDF下载

特    点:  


 

  BZ系列助力传感器具有多品种、多规格、准确性好、防水性强、可靠性高等特点,可安装不同位置,适配各种车型。  


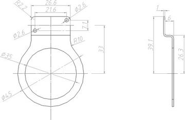
型号规格:BZ-10C


传感器形式:




支架尺寸:



10磁钢盘尺寸


29c9b4c9e5b4521fb9a14949fed26a9d.png



引线方式:三线制  


标配接口:SM-3Y



  • Tel0512-67231031
  • Emailchn_1@163.com
  • Address地址:江苏省苏州市高新区马运路298号——新能源科技产业园D栋501
Copyright © 2025- 苏州市昆腾电子有限公司   All Rights Reserved.